HEK293细胞B2M基因敲除株
细胞名称:HEK293细胞B2M基因敲除株
细胞简称:HEK293 KO-B2M
产品货号:HZ5-M2171
修饰基因:B2M
修饰类型:敲除
转导方法:蛋白电转
抗性基因:—
克隆类型:纯合子
细胞鉴定:PCR,测序
种属来源:人
组织来源:胚肾
疾病特征:—
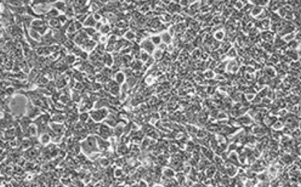
细胞形态:上皮细胞样
生长特性:贴壁生长
培养体系:DMEM-H+10%FBS+1%P/S
传代比例:1:4-1:8,每2-3天换液一次
传代周期:24-48 h
培养条件:气相:95%空气+5%CO2,温度:37℃
冻存条件:60%基础培养基+30%FBS+10%DMSO,液氮储存
质量检测:细菌、真菌、支原体检测均为阴性

细胞接收后处理方法
1.运输方式:冻存管(默认发送方式)
① 请在收到细胞后,先检查包装是否完整,干冰是否充足,冻存管有无破损等情况,并核对细胞管上的标签信息,细胞管数是否与发货清单一致。如有异常情况,请及时与我们联系。
② 收到细胞后如不立即进行实验,则请将细胞放至-80℃或液氮中保存。
③ 实验前开启水浴锅并预热培养基,并备好15mL离心管加入5mL预热后的培养基。
④ 将冻存管置于37℃水浴锅内,快速摇动解冻直到内容物融化,同时需注意避免水面没过管口。
⑤ 将冻存管外壁进行常规消毒后,在超净台内小心开盖,尽量避免气泡溢出,轻柔吹打数次,转移至15mL离心管内。使用1 mL培养基清洗冻存管内壁,一并收集至15mL离心管内。
⑥ 250g离心5min,收集细胞沉淀,弃掉上清并加入2mL完全培养基重悬。
⑦ 取20μL细胞悬液至EP管,台盼蓝染色并计数,记录细胞数量和存活率。如有异常请及时与我们联系,如无台盼蓝,可略过该步骤。
⑧ 将重悬后的细胞接种至合适大小的培养器皿中,放置于培养箱内进行培养。
⑨ 24h后镜下拍照并反馈我们,换液后继续培养。
2.运输方式:培养瓶(贴壁细胞)
① 请在收到细胞后,先检查包装是否完整,有无破损漏液的情况,并核对细胞瓶上的标签信息,细胞瓶数是否与发货清单一致。如有异常情况,请及时与我们联系。
② 观察瓶内的培养基是否澄清,镜下观察细胞是否状态良好,并将细胞容器外壁进行常规消毒后,置于培养箱内放置2-3h,让脱壁的细胞可以重新贴附。
③ 小心开盖移去瓶内的培养基,更换为细胞专用的完全培养基,按照培养器皿决定用量。若细胞脱壁过多,可将原培养基离心获得细胞沉淀,再接种回原瓶内。
④ 镜下拍照并反馈我们,如细胞汇合度较低,则放置于培养箱内进行培养。如细胞汇合度达到80%以上,则可按照常规方法进行消化传代。
3.运输方式:培养瓶(悬浮细胞)
① 请在收到细胞后,先检查包装是否完整,有无破损漏液的情况,并核对细胞瓶上的标签信息,细胞瓶数是否与发货清单一致。如有异常情况,请及时与我们联系。
② 观察瓶内的培养基是否澄清,镜下观察细胞是否状态良好,拍照并反馈我们。
③ 将细胞容器外壁进行常规消毒后,置于超净工作台内小心开盖。将瓶内的培养基全部转移至若干50 mL离心管内,并清洗培养瓶内壁一并收集。
④ 250g离心5min收集细胞沉淀,弃掉上清,使用新鲜的完全培养基重悬至合适密度。接种至合适的培养器皿中,置于培养箱内培养。
⑤ 培养24h后观察细胞状态和密度,按照常规方法进行传代。
4.运输方式:血清管
① 请在收到细胞后,先检查包装是否完整,有无破损漏液的情况,并核对细胞管上的标签信息,细胞管数是否与发货清单一致。如有异常情况,请及时与我们联系。
② 收到细胞后请尽快进行实验,如不能及时处理,请将细胞放至常温环境,通常15-25℃为佳,并尽量在24h内完成实验。否则细胞状态和存活率将会受到一定的影响。
③ 血清管悬液可能会呈现一定程度的浑浊状态,这属于正常现象,请放心操作。
④ 将血清管外壁进行常规消毒后,在超净台内小心开盖,尽量避免气泡溢出,轻柔吹打数次,转移至15mL离心管内。
⑤ 吸取1mL 培养基清洗血清管内壁,同样转移至15mL管,并吹打均匀。
⑥ 取20μL细胞悬液至EP管,台盼蓝染色并计数,记录细胞数量和存活率。如有异常请及时与我们联系,如无台盼蓝,可略过该步骤。
⑦ 250g离心5min,收集细胞沉淀,并接种至合适大小的培养器皿中,放置于培养箱内进行培养。
⑧ 24h后镜下拍照并反馈我们,并根据汇合度继续培养或消化传代。
5.运输方式:“细胞胶囊”技术
① “细胞胶囊”包括细胞管和Buffer共2个试剂管。请在收到细胞后,先检查真空包装袋内的“细胞胶囊”管身是否完好,培养液是否外渗,并核对管身上的标签信息,细胞管数是否与发货清单一致。如有异常情况,请及时与我们联系。
② 收到“细胞胶囊”后请尽快进行实验,如不能及时处理,请将细胞放至常温环境,通常15-25℃为佳,并尽量在24 h内完成实验,否则细胞状态和存活率将会受到一定的影响。“细胞胶囊”管内的培养液可能会呈现一定程度的浑浊状态,这属于正常现象,请放心操作。
③ 用75%酒精消毒包装袋表面,在超净台内取出细胞胶囊管和Buffer管,小心的打开细胞胶囊管盖,尽量避免气泡溢出。
④ 使用移液枪将细胞胶囊管中的培养液全部弃去。
⑤ 将Buffer全部加入到细胞胶囊管中,拧紧管盖,上下颠倒3-5 min。
⑥ 观察到细胞胶囊完全溶解后,小心开盖,使用移液枪轻柔吹打数次,转移到15 mL离心管内。
⑦ 取20μL细胞悬液至EP管,台盼蓝染色并计数,记录细胞数量和存活率。如有异常请及时与我们联系。
⑧ 250 g离心4 min,收集细胞沉淀,并接种到合适大小的培养器皿中,放置于培养箱内进行培养。
⑨ 24 h 后显微镜下观察细胞状态,观察细胞时请拍100×、200×各2-3张照片进行留存,所拍照片应尽量清晰,并根据汇合度继续培养或消化传代。
以实际收货产品说明书为准,网站说明书仅供参考。
本产品仅供科研使用。不能用于人和动物治疗等其它临床诊断使用!
在线客服1号



